程序可以在硬件之间发送吗_你知道硬件、软件工程师之间,还有一个固件工程师吗?...
1、软件工程师一般指做图形界面的程序员,工作内容就是写C++、JAVA、Web等。2、硬件工程师当然是指玩电路板的,工作内容就是画原理图、PCB等。3、固件工程师也叫单片机工程师,既写代码(主要是C语言、汇编)又要画电路图。
玩单片机的人,可能会有个疑问,为什么我写的C语言能操作到底层的硬件?其实在《计算机组成原理》已经有很详细的介绍了。我这里粗略地介绍一下,这个原理。
首先你可以搜索一下“从零开始造电脑”,这位叫Steve的大神,就告诉你,用晶体管可以做出CPU(单片机也是CPU)。
当然,我们现在可不会落后到需要到晶体管来制造电脑。接下来,你可以看一部叫《乔布斯》的电影,剧中就给你展示苹果公司的第一台计算机。
嘿嘿,看到那些黑色的芯片没有?还有两个大大的变压器。这说明了在大学玩单片机的时代,就相当于回到苹果公司的初始时期!是不是很激动人心?其实你可以用74系列的逻辑IC、单片机等,来搭建一个属于自己的计算机。这就是说人们把若干个晶体管集成为一块74系列的IC,如果集成度更高呢?那就是手机或者台式机用的多核CPU了。好,介绍了这些古董之后,就让你有个认识,计算机本质上是N个晶体管的组合,也是数字逻辑芯片的组合,更高级的,就是一块数模混合的芯片,具体形式是由你的工艺决定的。现在回到正题,介绍一下数电的基础知识。因为CPU主要功能是计算,也就是可以直接运用数学知识来解决问题,这里就举个例子介绍一下,CPU如何计算加法,也就是用数电里的门电路搭一个加法器。
怎样用晶体管搭这些与、或、非门就不说了,不懂的,可以翻书。上图就告诉你,可以用这些门电路搭一个加法器。怎样输入Ai=0,Bi=1,Ci=0?用74系列的IC的话,可以直接把Ai,Ci接GND,Bi接VCC,就实现加法了。而在CPU内部也是一样可以这样做的,但是CPU可没那么死板,只算常数的加法。
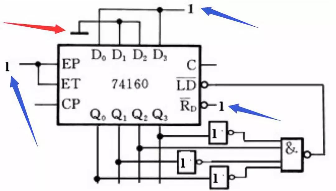
上图中,蓝色箭头指向的1,就是接VCC的,而红色箭头,就是接GND。在CPU内部,还有ROM,它可以把你要计算的加数和被加数存进去(ROM输出的高低电平,跟你接GND和VCC是一样的效果),而结果则存在寄存器(先暂存,以备后面使用)。现在有个问题,如果加完之后还要计算乘法(在信号处理领域的卷积运算的核心单元就是乘加器),怎么办?谁来自动完成这个动作?幸好,CPU里面有个叫ALU(算术逻辑单元)来处理这件事情。
这里的控制单元,就把ROM里面的数据取出来,再用选择器,来调用加法器和乘法器,最终把结果存到寄存器中。如果ROM里面只存数据,那是无法让控制单元知道,你要执行加法还是乘法,要解决这个问题,就需要在ROM里面再划分一个区域,存放指令码。这个指令码,跟数据是一样,都是0、1的二进制数,只是用途不同,所以起了不同的名字。其实这个指令码,对应在单片机里面的汇编语言,就是操作码(如:MOV);而操作数就是数据(如:01H)。具体的,可以看看单片机的教材。根据指令码的设计方法来分,有四种,分别是CISC、RISC、VLIW、TTA,具体区别可以看计算机组成原理。而PC(程序计数器)就是控制ROM的地址,现在你要知道PC是不能出错的,一旦出错,就意味着单片机不按照你的代码来工作。现在,我在8位的CPU的ROM里面,第一个地址存了0x03这个指令码来代表加法,而在第二、三个地址存了加数和被加数,然后在第四个地址存了0x05代表乘法,在第五、六个地址存了乘数和被乘数。那么,按照一定的规则来设计控制单元(这个规则可以自己定义的),它就知道0x03是要执行加法。那么这个规则如何设计?最简单的,就是用与门了,然后输出一个使能信号,让加法器工作,就跟上面的74LS160差不多。但是CPU可没那么简陋,它可以使用状态机、流水线等,来控制这些基本单元(如:加法器、乘法器),如下图所示。
说到这里,你至少应该知道,我们只要改变ROM的内容,就可以操作CPU内部的ALU,从而操作CPU的各个硬件单元了。下面给个相对完整一点的ALU内部结构图。
ROM的内容本质上是一些电荷量(电容上有、无电荷,代表二进制的1和0),也就是固件、软件工程师写的代码。而硬件,就是由晶体管搭建的数字、模拟电路(如:单片机内部的比较器、ADC等)。所以硬件是物理器件,不容易更改;而ROM的内容完全可以用烧录器就轻松改变它,修改成本非常低,而且很灵活。在这里,你很难表述,这些电荷量是软件还是硬件,但是CPU的这种结构,导致了两种不同类型的工作者,我们称他们为软件工程师和硬件工程师。而单片机程序员写的代码,跟硬件密切相关,而且一旦完成之后,很少需要修改的(不像软件工程师修改的那么频繁),我们称之为固件。本文系网络转载,版权归原作者所有。如有问题,请联系我们,谢谢!
相关文章:

悲催的跨平台文献管理能力
1.古老的TCP交互 邮箱、FTP、硬盘 2.用现成软件Zotero 免费、跨平台、导入后在Win福昕注释可实时同步mac看看 人生苦短,我用Zotero。。

Mastering Algorithms with C中文版附带源码说明
Mastering Algorithm with C是一本非常经典和独具个性的算法书,主要是从程序员的角度,对算法领域的基本内容,通过C语言进行源码实现,其附带的源码非常详细,对初接触这个领域的程序员很有参考价值.我特地将该书源码的使用方法做了笔记,放在这样,以便日后参考. 下面是该书的封面…

仿qq左滑删除listview_Java基于Swing和Netty仿QQ界面聊天小项目
点击上方 好好学java ,选择 星标 公众号重磅资讯、干货,第一时间送达今日推荐:硬刚一周,3W字总结,一年的经验告诉你如何准备校招!个人原创100W访问量博客:点击前往,查看更多来源&…

[BZOJ1602] [Usaco2008 Oct] 牧场行走 (LCA)
Description N头牛(2<n<1000)别人被标记为1到n,在同样被标记1到n的n块土地上吃草,第i头牛在第i块牧场吃草。 这n块土地被n-1条边连接。 奶牛可以在边上行走,第i条边连接第Ai,Bi块牧场,第i…

大数据中用到的新的数据类型bigint、decimal、smallint、tinyint
在对比oracle数据库和大数据库的时候,发现了几个用以存放数字的新的类型bigint、decimal、smallint、tinyint,为了对比之间的不同,我进行了统计 bigint 可以精确的表示从-263到263-1(即从-9,223,372,036,854,775,808到 9,223,372,036,854,77…

[综合面试] 计算机面试书籍与求职网站推荐
一、推荐书籍 计算机的好书挺多的,我买了也有四五十本,也花了不少钱,但是这些投资都是值的,好好看一下这些书,让自己找工作时的薪水涨个几千是没问题的。当然,也有些书是电子版的。我是c方向的,…

python在工厂中的运用_Python常见工厂函数用法示例
工厂函数:能够产生类实例的内建函数。工厂函数是指这些内建函数都是类对象, 当调用它们时,实际上是创建了一个类实例。Python中的工厂函数举例如下:1. int(),long(),float(),complex(),bool()>>> aint(9.9)>>> …

Java Random()函数生成指定范围的随机数
java中随机生成数字(指定范围) //随机获得0到(i-1)的一个数 int i ThreadLocalRandom.current().nextInt(i);

删除链表中的重复项
方法一:时间优先建立一个hash_set,key为链表中已经遍历的节点内容,开始时为空。从头开始遍历链表中的节点:- 如果节点内容已经在hash_set中存在,则删除此节点,继续向后遍历;- 如果节点内容不在h…

python提取文件名数字_在Python中从文件名提取扩展名
是否有从文件名中提取扩展名的功能?#1楼一种选择可能是与点分开:>>> filename "example.jpeg">>> filename.split(".")[-1]jpeg文件没有扩展名时没有错误:>>> "filename".split(&…

imagick API 中文说明
下面是 imagick API 中文说明 : imagick 类 imagick::adaptiveblurimage 向图像中添加 adaptive 模糊滤镜 imagick::adaptiveresizeimage 自适应调整图像数据依赖关系 imagick::adaptivesharpenimage自适应锐化图像 imagick::adaptivethresholdimage 基于范围的选择…

利用dom4j将实体类转换为对应的xml报文
利用dom4j生成xml报文 目标格式: <?xml version"1.0" encoding"GBK"?><Packet type"REQUEST" version"1.0"><Head><RequestType>C03</RequestType><UserCode>BOCIJS</UserCode…

JSP--JavaBean
JSP 最强有力的一个方面就是能够使用 JavaBean 组件。 按照 Sun 公司的定义, JavaBean是一个可重复使用的软件组件。实际上 JavaBean 是一种 Java 类,通过封装属性和方法成为具有某种功能或者处理某些业务的对象,简称 Bean。 一个基本的 JSP …

python 速度矢量_最近邻搜索4D空间python快速-矢量化
For each observation in X (there are 20) I want to get the k(3) nearest neighbors.How to make this fast to support up to 3 to 4 million rows?Is it possible to speed up the loop iterating over the elements? Maybe via numpy, numba or some kind of vectoriza…

使用ajax不刷新页面获取、操作数据
在使用jsp或html时,利用ajax达到不刷新页面就可以获取、操作数据。 首先上代码 (htmljs) 在此处需要引入jquery插件 <!-- 这是页面部分 html--> <body><div style"width:100%;height:30px; float:left"><in…

C/C++面试题分享
1、指针和引用的区别? 答:引用是在C中引入的。它们之间的区别有: (1) 非空区别:指针可以为空,而引用不能为空 (2) 可修改区别:如果指针不是常指针…

js增加属性_前端js基础2
JavaScriptECMAScript(ES):规定了js的一些基础的核心知识(变量、数据类型、语法规范、操作语句等) 3/56/7 说出ES5和ES6的区别? DOM:document object model 文档对象模型,里面提供了一些属性和方法,可以让我们操作页面中的元素 BO…

附加的操作系统服务
select :等待I/O实现threading:高层次的线程接口thread:多线程调度dummy_threading:提供threading模块的副本接口dummy——thread:提供thread模块的副本接口mutiprocessing:在全局调度锁下使用子进程mmap:内…

使用myeclipse的第一步
使用myeclipse的第一步 将以下代码copy放在一个包中运行,然后在控制台输入任意字符,回车,然后控制台打印一串密匙,这里你输入的就是账号,控制台返回的就是注册码,点击MyEclipse->Subscription *** 输入…

一道题弄明白二维数组的指针
#include<stdio.h> int main(int args,char ** argv) {int map[3][3]{{1,2,3},{4,5,6},{7,8,9}};int **pMap(int **)map;printf("%d\n",map);//数组的首地址printf("%d\n",*(map1));//数组第二行首地址printf("%d\n",*map1);//数组首行的第…

Linux网络编程--进程间通信(一)
进程间通信简介(摘自《Linux网络编程》p85) AT&T 在 UNIX System V 中引入了几种新的进程通讯方式,即消息队列( MessageQueues),信号量( semaphores)和共享内存( sha…

mysql 行号_PQ获取TABLE的单一值作为条件查询MySQL返回数据
下午,我正爽歪歪地喝着咖啡,看着Power BI每秒钟刷新一次,静静等待某个分公司完成本月绩效任务,自动调用Python在钉钉群中发送喜报:紧接着再次调用Python将Power BI云端报告中的各分公司最新完成率数据和柱状图截图发在…

UUID的使用及其原理
今天敲项目要用UUID,想起之前老师告诉UUID的使用,但没说具体的生成逻辑,于是我进行了百度 首先,UUID的使用: //生成随机的UUID String uuid UUID.randomUUID().toString().replaceAll("-", "")…

链表类型题目需要用到的头文件list.h
下面是后面链表相关题目中需要用到的链表结点的定义和相关操作函数,参见下面的list.h文件: 注意链表结点的定义采用cpp的定义方式,它会被cpp的文件调用。比如后面删除链表重复结点的文件del_repeated_list.cpp中的编译方式: g -…

led计数电路实验报告_「正点原子FPGA连载」第八章 按键控制LED灯实验
1)实验平台:正点原子开拓者FPGA开发板2)本实例源码下载:请移步正点原子官网第八章 按键控制LED灯实验按键是常用的一种控制器件。生活中我们可以见到各种形式的按键,由于其结构简单,成本低廉等特点,在家电、数码产品、…

svn官方备份hot-backup.py强烈推荐
Author:牛班图 Date:2016/05/18 Address:suzhou --- centos 6.7默认安装的python是2.6.6,大家可以先查看一下自己操作系统的python版本,python -v; hot-backup.py是基于python2写的,python3的语法有些地方不一样,所以在…

用js方法做提交表单的校验
基础知识: 原始提交如下: <form action"<%basePath %>puser/register" method"post"><input placeholder"Name" name"realname"> <input type"email" placeholder"Email…

tree类型题目需要用到的头文件tree.h
下面是树类型题目需要用到的头文件tree.h,请包含在cpp文件中编译,而不是放在c文件中编译,比如查找树中两个节点的最低公共父结点的题common_parent_in_tree.cpp,编译它的方法是: g -g common_parent_in_tree.cpp -o common_parent_in_tree 下面是tree.h的内容: #include <…

用easyui动态创建一个对话框
function randomString(len) { len len || 32; var $chars ABCDEFGHJKMNPQRSTWXYZabcdefhijkmnprstwxyz2345678; /****默认去掉了容易混淆的字符oOLl,9gq,Vv,Uu,I1****/ var maxPos $chars.length; var pwd ; for (i 0; i < len; i) { pwd $…

网站收录工具(php导航自动收录源码)_网站如何快速收录,网站不收录怎么办?...
经常有朋友说怎么快速收录,网站不收录怎么收录??其实,网站不包括一般的新网站数量,没有SEO基础,SEO了解合作伙伴经常会遇到问题,甚至很多人会告诉你,不包括网站引流,导致…